AC803系列比例积分温控器参数    

 
 关键词:流量阀动态阻力平衡阀电动旁通压差阀自力式压差控制阀自力式流量控制阀自控阀门动态平衡电动调节阀 
 
 
 
 资讯分类 news 
  
技术文档行业资讯公司动态展会信息
 
 技术文档 technology更多 
 
  
100X遥控浮球阀...200X减压阀安装...自力式压差控制阀安...电动三通阀工作原理流量阀的作用及工作...
 
 采购指南 help更多 
 
  
自力式流量控制阀简...自力式压差控制阀安...水力平衡阀的应用全焊接球阀的应用场...
 
 常见问题 question更多 
 
  
自力式流量控制阀在...供热系统节能阀——...全焊接球阀的应用场...流量阀‖流量调节阀...压差阀 自力式压差...
 
 联系方式 contact us 
 
石家庄市和平东路528号
电话:0311-89912946
传真:0311-89912946
 
 
 
 资讯中心  news center当前位置: >>资讯>>技术文档 
  

AC803系列比例积分温控器参数

标签:控制器|比例积分温控器|电动调节阀
 
 
 
“▲”设定温度加

“▼”设定温度减
 
制冷制热设定

“”按模式键切换制冷,制热
 
睡眠功能设定

长按模式键三秒切换至睡眠显示状态。按“”确认,按“”取消

定时开机、关机时间设定(选配)

定时开机:长按模式键三秒切换至睡眠显示状态后,短按模式键切换至定时开机。按“”向上调定时时间:按“▲”向上调定时时间。调整后,5秒钟后自动确认

定时关机:长按模式键三秒切换至睡眠显示状态后,短按模式键切换至定时关机。按“”向上调定时时间;按“▼”向下调定时时间。调整后,5秒钟后自动确认
 
时钟时间校对(选 配)
 
长按模式键三秒切换至睡眠显示状态后,短按模式键切换至时间调整,按“”向上调时间,按“”向下调时间。

调整好后,5秒钟后自动确认。

 风速设定

按风速键切换,高、中、低、自动。

参数设定

在关机状态下,同时按“”和“”3秒,进入参数设定模式。

依次按模式键进行参数键式转换,模式1为温度补偿,模式2为P(比例值设定),模式3为(积分值设定)。

房间温度值校正

由于本产品安装位置及房间空气对流因素,需要对系列进行当前房间温度校正或补偿。
 
使温度测试显示值与实际温度相符。

在模式1状态下:

“▲”房间温度加

“▼”房间温度减

补偿温度范围为-9℃~9℃

P值设定

在模式2状态下

“▲”向上调P值

“▼”向下调P值

P值可选择为4℃、6℃、8℃、10℃(默认最佳为10℃)

(3)1值设定
 
在模式3状态下

“▲”向上调1值

“▼”向下调1值

1值可以选择范围为1秒~59秒(默认值最佳为40秒)
 
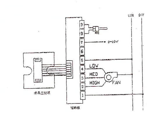
电气接线图
 
 
 
 
 
安装

警告:接线一定按照电气接线图正确接线,切勿将水、泥浆等杂质进入温控器内,否则将会造成器体件损坏。
 
上一页:AC803系列比例积分温控器
下一页:无
 
浏览更多关于控制器|比例积分温控器|电动调节阀的内容
 
 相关产品 prelated peoducts
 
 
(流量控制阀,自力式流量控制阀,流量阀)
节能减排好阀门—自力式流量控制阀
 
(自力式压差控制阀,压差控制阀,自力式压差阀)
自力式压差控制阀
 
(自力式温度调节阀,温度调节阀,自力式温度控制阀)
YZW型自力式温度调节阀
 
(数字锁定平衡阀,静态平衡阀,平衡阀)
数字锁定平衡阀
 
(电动二通阀,电动二通调节阀,二通阀)
电动二通阀
 
(倒流防止器,防污隔断阀)
倒流防止器YQDFQ4LX-16Q
 
 
相关链接 products更多
  
平衡阀在水力管网中的应用及节能...VB-3000、VB7000系...平衡阀介绍平衡阀调节原理
 
相关案例 products更多
  
天津二供办领导来公司考察我公司参加《采暖空调用动态流量...北京奥运村城建公司领导来公司考...北京奥运鸟巢工程选用河北同力自...
 
相关认证 products更多
  
营业执照创新基金立项证书九千认证中文版九千认证英文版
 
 
 
 公司简介  企业文化  公司荣誉  销售网络  服务宗旨  工程实例  联系我们 
 
 
 
地址:  邮编:050046  电话:0311-89912946
Copyright河北同力自控阀门制造有限公司all Rights Reserved.冀ICP备12019774号-5

冀公网安备13098102000431号